PLC智能配电箱,是我公司专为LED显示屏,设计、开发的一套专用智能电源监控系统,本软件完全有我司技术人员自主开发编写,可为用户量身定制,满足不同用户的需求。系统采用程序化人机界面操作,界面信息显示直观、状态显示清晰、数据显示完整。选用日本原装三菱PLC作为主控元件(下位机),与后台电脑(上位机)进行实时通讯,并采用标准的RS-485通讯接口进行上、下位机通讯,真正实现了设备的智能化控制。本产品具有:安全稳定、操作简单、应用灵活、可靠性高等特点。




产品描述:
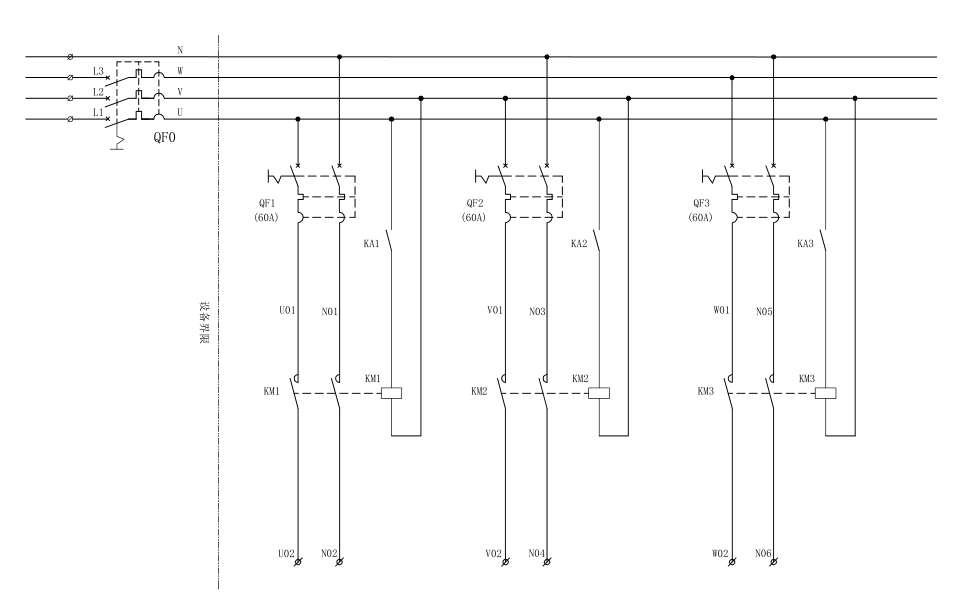
三相 5线,可配检修插座\照明灯\obo避雷器,含分步式阶梯上电启动和分步延时断电功能,配多功能卡远程控制。
性能特点:
1、具有短路、过流、过压、欠压、漏电等多种保护功能,系统软件自动处理应急情况。
2、远程控制功能、远程报警、远程查询工作状态。
3、分布延时上电,避免大负载对电网的冲击,有效查询工作状态。
4、系统自检,在运行错误时自动关闭输出并报警,保证系统运行的安全性和可靠性。
5、温度、湿度检测和烟雾探测,发生问题时能即时关闭输出,防止电箱及显示屏内部发生火灾。
6、空调风机分路根据温度感应智能上电。
7、远程、时控、手动控制。
公司不仅止于标准产品的生产和销售,凭借坚强的技术实力,资深的研发队伍,将为您量身定制,提供满足您实际要求的专业设计方案。